Schauen Sie sich den Ersatzteilkatalog an

WH000488 - WÄRMEPUMPE PM40 MD7 R32

Revisionsnummer: 2 | Datum: 24-10-2025

WÄRMEPUMPE PM40 MD7 R32

Piezas del despiece (kits o unitarios)

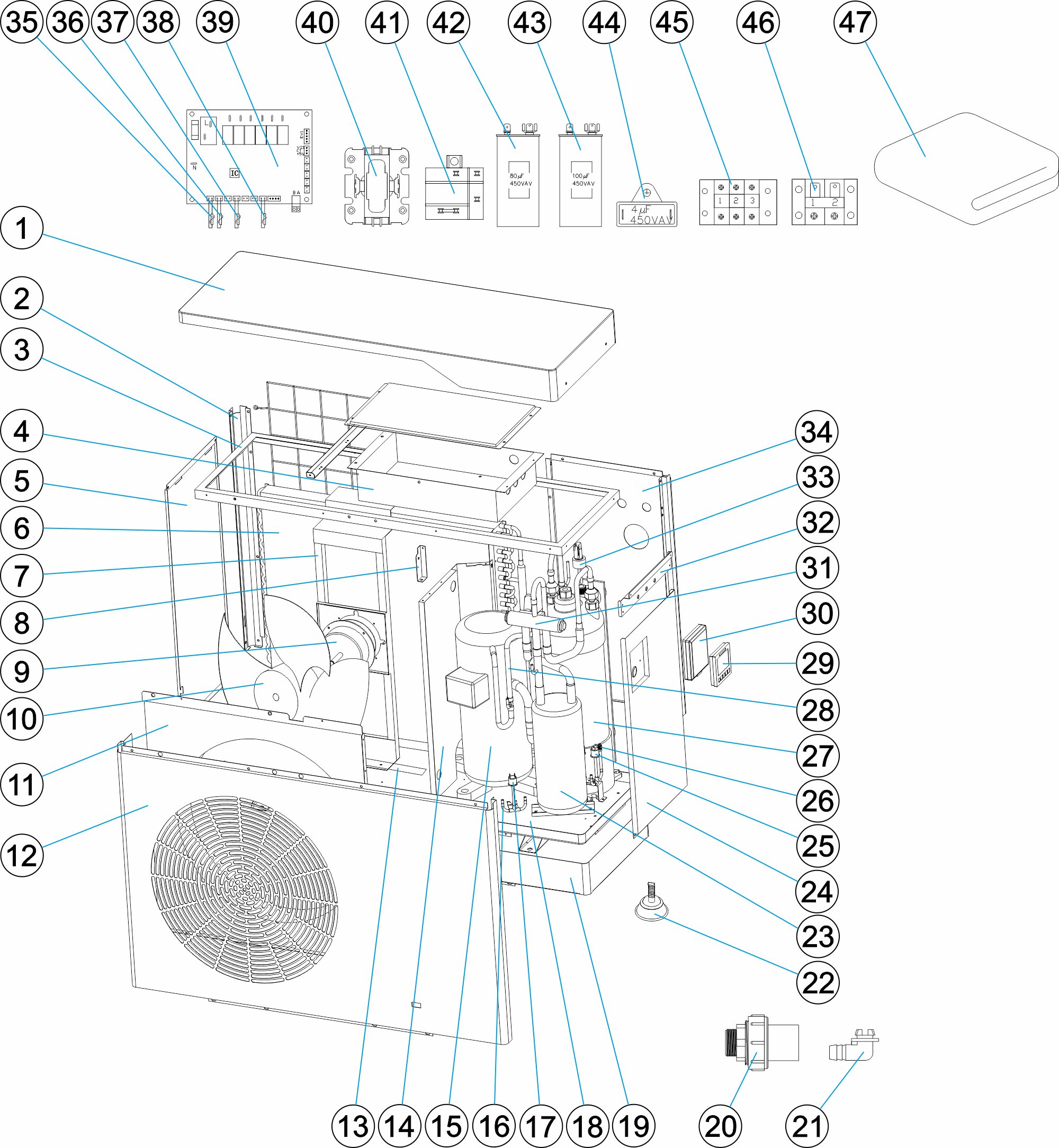
POS. CÓDIGO DESCRIPCIÓN    
1 66069R0302 ABDECKUNG OBEN
2 66069R0315 HALTERUNG FÜR PLATTE LINKS
3 66069R0303 HALTERUNG FÜR ABDECKUNG OBEN
4 66069R0330 ELEKTRONIKSCHRANK
5 66069R0305 LINKENPLATTE
6 66073R0030 VERDAMPFER
7 66069R0306 HALTERUNG MOTORVENTILATOR
8 66069R0327 ANSCHLUSS ZWISCHENPLATTE PLAKETTE
9 66073R0031 VENTILATORMOTOR
10 66073R0009 ROTORBLÄTTER VENTILATOR
11 66069R0322 VENTILATORGITTER
12 66069R0321 FRONTPLATTE
13 66069R0039 HEIZSTAB ENTEISER
14 66069R0320 ZWISCHENPLATTE
15 66073R0012 KOMPRESSOR
16 66069R0015 VERROHRUNG DRUCKSCHALTER
17 66069R0031 SCHALTER HOCHDRUCK
18 66069R0386 UNTERPLATTE
19 66069R0317 ABDECKUNG BASIS
20 66069R0041 ANSCHLUSS WASSER
21 66069R0042 ABLASS KONDENSWASSER
22 66069R0102 ANTI-VIBRATIONSFÜSSE
24 66069R0312 RECHTENPLATTE
25 66069R0032 SCHALTER TIEFDRUCK
26 66069R0022 VENTIL BEFÜLLUNG/ENTLEERUNG
27 66073R0034 WÄRMEÜBERTRAGER TITANIUM
28 66069R0378 VERROHRUNG WÄRMEÜBERTRAGER
29 66069R3304 DRIVER LCD (PM40)
EINGESTELLT
29 66069R3305 DRIVER LCD (PM40)
30 66069R0262 WASSERDICHTE STEUERUNGSBOX
31 66073R0013 4-WEGE-VENTIL
32 66069R0318 ANSCHLUSS ABDECKUNG OBEN PLAKETTE
33 66069R0030 DURCHFLUSSMESSER
34 66069R0314 FÜHRERHAUSRÜCKWAND
35 66069R0054 TEMPERATURFÜHLER L=1200
36 66069R0055 TEMPERATURFÜHLER L=1200
37 66069R0057 TEMPERATURFÜHLER L=800
38 66069R0056 TEMPERATURFÜHLER L=1200
39 66069R0060 BASISPLATTE PCB
39 66069R3105 BASISPLATTE PCB
40 66070R0027 KOMPRESSORRELAIS
41 66069R0328 RELAIS
42 66069R0403 KOMPRESSORKONDENSATOR
43 66069R0329 ANLAUFKONDENSATOR
44 66073R0025 VENTILATORKONDENSATOR (6 UF)
45 66073R0036 ANSCHLUSS
46 66069R0053 ANSCHLUSS FÜR PUMPE
47 ACXXPR1004 WINTERDECKEL EV17-20/AC17-20/ST15/MD57/TD7

Neueste Nachrichten:

MEHR NACHRICHTEN ANZEIGEN

Brauchen Sie Hilfe?

Suchen Sie Hilfe bei der Suche nach dem benötigten Teil? Zögern Sie nicht, sich an Ihren offiziellen FLUIDRA Lieferanten zu wenden. Wir helfen Ihnen gerne bei Ihrer Suche.